综述

型号对比

传承型号
代替进口型号
VRRMVDRM(V)
ITAVIFAV(A)
SPDT175XFA08
VTO175-08io7
800
167
SPDT175XFA12
VTO175-12io7
1200
167
SPDT175XFA14
VTO175-14o7
1400
167
SPDT175XFA16
VTO175-16io7
1600
167

特点和优势

  • ●带螺丝端子的包装
  • ●隔离电压3000V~
  • ●平面钝化芯片

应用领域

  • ●PWM转换器的输入整流器
  • ●开关电源输入整流器(SMPS)
  • ●软启动电容充电

内部电路

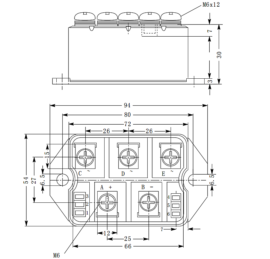
包装尺寸
尺寸单位:毫米

指标参数
Parametrics SPDT175XFA08~16
VDRMVRRM800~1600V
ITAV IFAV167 A
TC85 °C
ITSM IFSM1500 A
V(T0)
@Tvj max
0.85 V
PackagesXFA
ReplaceVTO175-08~16io7