综述

型号对比

传承型号
代替进口型号
VRRMVDRM(V)
ITAVIFAV(A)
SPCH28XWC08
VHF28-08io5
800
28
SPCH28XWC12
VHF28-12io5
1200
28
SPCH28XWC14
VHF28-14io5
1400
28
SPCH28XWC16
VHF28-16io5
1600
28

特点和优势

  • ●平面玻璃钝化芯片
  • ●节省空间和重量
  • ●改善温度和功率循环

应用领域

  • ●直流电源设备电源
  • ●直流电机控制


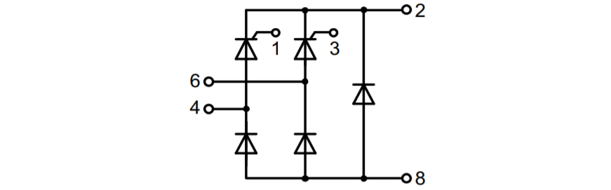
内部电路

包装尺寸
尺寸单位:毫米

指标参数
Parametrics SPCH28XWC08~16
VDRMVRRM800~1600V
ITAV IFAV28 A
TC85 °C
ITSM IFSM300 A
V(T0)
@Tvj max
0.90 V
PackagesXWC
ReplaceVHF28-08~16io5